ME205 - Teräsrakenteet 2 - Luento 5Luento 5A: KonepajapiirustuksetVideolla käydään läpi esimerkit kaikista tärkeistä konepajasuunnittelun dokumenteista: asennuspiirustuksista, kokoonpanopiirustuksista, osapiirustuksista sekä erilaisista luetteloista.  Tässä pdf-tiedostossa on videolla käsiteltävät esimerkkipiirustukset. Tiedostosta kannattaa ladata kopio omalle koneelle, ja käyttää apuna kurssin harjoitustyössä, jossa pääset itse harjoittelemaan konepajapiirustusten tekemistä. 
Luento 5B: Liitokset 1 - Hitsauskiinnitykset ja leikkausvoiman kuormittamat ruuvikiinnityksetTeräsrakenteiden suunnittelu ja mitoitus 2 -kurssin liitossuunnittelun opetus on jaettu neljään kokonaisuuteen kolmelle luentokerralle. Ensimmäisen kokonaisuuden ensimmäisellä videolla katsotaan luentojen rakennetta - mitä opitaan tänään ja mitä tulevina viikkoina.  Toisella videolla opitaan hitsauskiinnitysten mitoitus komponenttimenetelmää käyttäen. Huomataan, että menetelmä on lujuusopillisesti täsmällisin, mutta hieman kömpelö käyttää. Sen vuoksi on olemassa erilaisia yksinkertaistuksia, joita katsotaan kolmannella videolla.  Kolmannella videolla opitaan hitsauskiinnitysten mitoitus Eurokoodin yksinkertaistetulla menetelmällä, sekä yleistymään päin oleva hitsien "neliöjuuriluokitteluun" perustuva menetelmä. Nämä ovat komponenttimenetelmää helppokäyttöisempiä mitoitustapoja tavanomaisissa tilanteissa. "Neliöjuuriluokittelua" voidaan käyttää, jos hitsiin kohdistuva kuormitus voidaan yksinkertaistaa vastaamaan jotain kolmesta perustapauksesta. Eurokoodin yksinkertaistettu menetelmä taas ylimitoittaa hitsin niin, että se kestää annetut jännitykset jännityksen suunnasta riippumatta.  Neljännellä videolla aiheena on ruuvikiinnitykset, joita kuormittaa leikkausvoima. Opitaan laskemaan ruuvin leikkauskestävyys, sekä liitoslevyn reunapuristuskestävyys ruuvin varren puristusta vastaan. Hyödyllistä lisälukemista luennon 5B aihepiiristä:EN 1993-1-8TRY:n oppikirja Teräsrakenteiden suunnittelu ja mitoitus 2020: luku 4Hitsatut profiilit 2010 -käsikirja: luku 3Rakenneputket -käsikirja: luku 3 Luennon 5 kotitehtävät
Harjoitustehtävä 1 | Kuvan vetotanko kiinnittyy palkin alapinnan korvakkeeseen yhdellä M20 ruuvilla. Laske ruuvin leikkauskestävyys ja korvakelevyn reunapuristuskestävyys. Kestääkö kiinnistys? Korvake on teräslaatua S355J2, reiän halkaisija on 22mm, ja ruuvi on lujuusluokan 8.8 osakierteinen ruuvi (ISO 4014). Anna tarkastusautomaatille suurin kuorma, jonka kiinnitys laskemiesi tietojen perusteella kestäisi. Korvakelevyn netto- tai bruttopoikkileikkausta tai palamurtumista ei tarvitse tällä kertaa tarkistaa, vain ruuvin leikkaus ja reunapuristus. |
TarkastusautomaattiKirjaudu sisään ja varaa lisenssi käyttääksesi tarkistusautomaattia. |
Malliratkaisu
Harjoitustehtävä 2 | Edellisen tehtävän korvake on hitsattu palkkiin 7 mm pienahitsillä. Laske hitsin kestävyys. Sekä palkki että levy ovat teräslaatua S355J2. |
TarkastusautomaattiKirjaudu sisään ja varaa lisenssi käyttääksesi tarkistusautomaattia. |
Malliratkaisu
Harjoitustehtävä 3 | Mikä kuvan tilanteessa pitää vähintään olla molempien hitsien a-mitta, jotta hitsit kestävät voiman FEd = 270 kN? Levyt ovat terästä S420. |
TarkastusautomaattiKirjaudu sisään ja varaa lisenssi käyttääksesi tarkistusautomaattia. |
Malliratkaisu
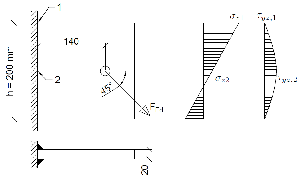
Harjoitustehtävä 4 | Kuvan levy (S355J2) on hitsattu 9mm pienahitsillä. Levyä kuormittaa voima FEd = 300 kN. Laske kestääkö hitsi. Käytä hitsien komponenttimenetelmää, ja laske tarkat jännitykset hitsissä pisteessä 1 (suurin normaalivoima) ja pisteessä 2 (suurin leikkaus) – jompikumpi on varmasti hitsin kannalta mitoittava. Anna tarkastusautomaatille komponenttimenetelmän vertailujännitys (neliöjuurilausekkeen tulos) siinä pisteessä, kummassa vertailujännitys on suurempi. |
TarkastusautomaattiKirjaudu sisään ja varaa lisenssi käyttääksesi tarkistusautomaattia. |
Malliratkaisu
|